Producten
Huis heftruck

JIB-bijlage

Vorkheftrucks, hef-kantelarmen voor flexibel heffen van omvangrijke lasten F-SFJS7.5

Vorkheftrucks, hef-kantelarmen voor flexibel heffen van omvangrijke lasten F-SFJS7.5

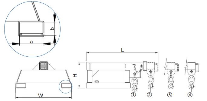
Deze korte vaste jib van 7500 kg is ontworpen voor grotere vorkheftrucks en is de jib met de grootste capaciteit in ons assortiment.

  • type:

    F-SFJS7.5
  • oppervlakte behandeling:

    Galvanizing or As Request
  • Productdetails

De SFJS7.5 vaste jib (kort) is ontworpen als een betaalbare jib voor algemeen gebruik die in krappe ruimtes kan manoeuvreren, met een bereik van 2,0 meter wanneer hij volledig is uitgeschoven. 


Deze jib is ontworpen met brede vakken die geschikt zijn voor vorkheftrucks met speciale hydraulische tandverstellers.


Specificaties

· Veilige werklast (SWL) 7500kg Max.

· Eenheidsgewicht 320kg

· Afmeting (LBH)/mm: 1385×1075×500

· Zakformaat: 180×80 mm

Positie
1 2 3 4
Verlenging/mm
930 1245 1625 2005
SWL/kg
7500 3600 2700 2250

laat een bericht achter

Als U bent geïnteresseerd in onze producten en wilt meer details weten, laat hier een bericht achter, we zullen u zo snel mogelijk antwoorden zoals wij

gerelateerde producten
Forklift Tow Ball Jib Attachment
Heftruck Jib Attachment 2500kg F-2FJ25

Heftruckjib is ontworpen als een eenvoudige jib met 2 haakposities (elk met SWL 2500 kg) 500 mm deel.

Telescopic Forklift Jib Attachment
Telescopische vorkheftruck jib bijlage 2500kg Swl F-FJS2.5

Jib maakt extra hefhoogte mogelijk met de uitbreidingsbalk die boven de vork wordt verhoogd Zakken.

2.5T Fixed Jib Attachment for Forklift
Lange extensie 2.5t Vaste JIB-bijlage voor vorkheftruck F-FJL2.5

Het type F-FJL2.5 Fixed Long Jib heeft een 3.5 Meteruitbreiding die lange bereikbare liften mogelijk maakt.

3.5T Forklift Hooks and Forklift Jib
3.5t heftruck haken en heftruck jib bijlagen F-FJA350

Het type F-FJA350 3500kg Telescopische uitbreiding JIB-bijlage is ontworpen als een betaalbaar algemeen jib dat in staat is om te manoeuvreren in besloten ruimtes, met een 2.365 Meterbereik Wanneer volledig uitgebreid.

Telescoping Forklift Jib
Telescoping Vorkheftruck Jib-lift kraan 4,5t capaciteit F-FJCS45

4500kg Korte vaste jib is ontworpen als een Betable Algemeen domein dat in staat is om te manoeuvreren in beperkte ruimtes, met een 1.925 Meterbereik Wanneer volledig uitgebreid.

Fork Mounted Jibs & Lifting Beams
4,5t Uitschuifbare vorkheftruck, vork gemonteerde JIBS & Lifting-balken F-FJCL45

4500kg Lange Jib is een algemene jib die geweldig is om over putten en gebieden te bereiken waar De heftruck kan niet rijden naarmate het een 3.5 Meterbereik Wanneer volledig uitgebreid.

Fixed Tilt Forklift Lifting Jib
Vaste tilt vorkheftruck hef jib extents naar 2.36m Hoogte 4700kg F-FJA470

Het type F-FJA470 4700kg Telescopische uitbreiding JIB-bijlage is ontworpen als een betaalbaar algemeen jib dat in staat is om te manoeuvreren in besloten ruimtes, met een 2.365 Meterbereik Wanneer volledig uitgebreid.

5T Forklift Jib Attachment
5t heftruck jib bijlage, vaste jib short - 5 Tonne F-FJS5

De JIB heeft een 1.96 Meterbereik Wanneer volledig verlengd en een algemene lengte van 1.3 meters Wanneer ingetrokken.

© auteursrechten: 2026 Longyan Ealita Machine Manufacture Co., Ltd Alle rechten voorbehouden.

IPv6 Netwerk ondersteund

top

laat een bericht achter

laat een bericht achter

    Als U bent geïnteresseerd in onze producten en wilt meer details weten, laat hier een bericht achter, we zullen u zo snel mogelijk antwoorden zoals wij